以色列公司采购AL7075加工件
以色列 采购 AL7075加工件
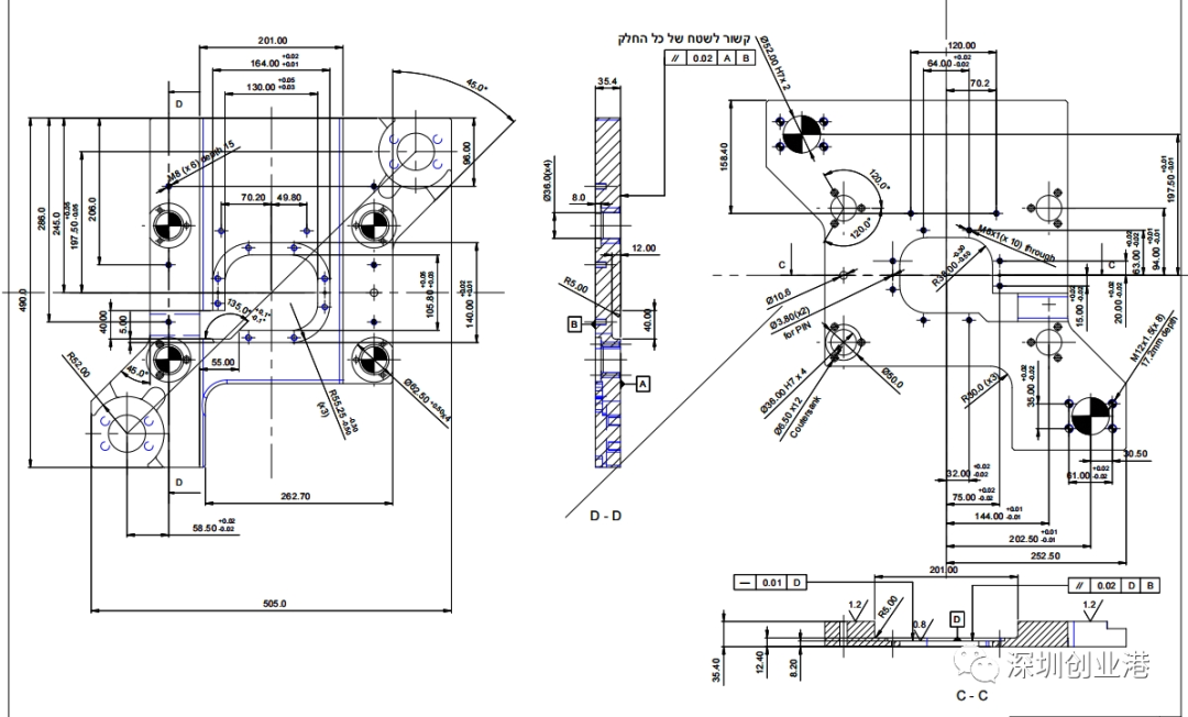
以色列公司采购AL7075加工件 ,数量1/5件
具体请联系佟小姐获取更多详细资料,
邮件地址:jrs9@jrs-sourcing.com,
电话:0755-86561465 133 6736 8778

更多采购请见深圳创业港www.szcyg.org
以色列 采购 AL7075加工件
以色列公司采购AL7075加工件 ,数量1/5件
具体请联系佟小姐获取更多详细资料,
邮件地址:jrs9@jrs-sourcing.com,
电话:0755-86561465 133 6736 8778

更多采购请见深圳创业港www.szcyg.org
keywords: 深圳创业港 深圳创业 联系:info@szcyg.org