以色列公司需求五金冲压件 -- 20211014
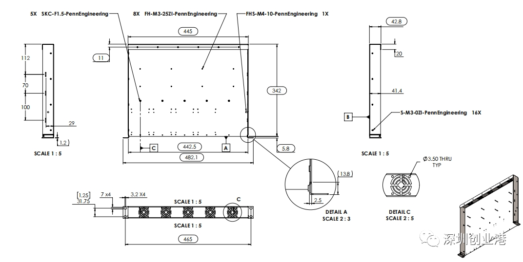
以色列 五金冲压件
以色列公司需求五金冲压件, 数量每月10K。
需要更多项目信息请联系采购胡乐Rita
邮箱:jrs15@jrs-sourcing.com
电话:0755-86655575 15914179802

更多采购请见深圳创业港www.szcyg.org
以色列 五金冲压件
以色列公司需求五金冲压件, 数量每月10K。
需要更多项目信息请联系采购胡乐Rita
邮箱:jrs15@jrs-sourcing.com
电话:0755-86655575 15914179802

更多采购请见深圳创业港www.szcyg.org
keywords: 深圳创业港 深圳创业 联系:info@szcyg.org