爱沙尼亚公司采购电机 --20220223
采购 电机
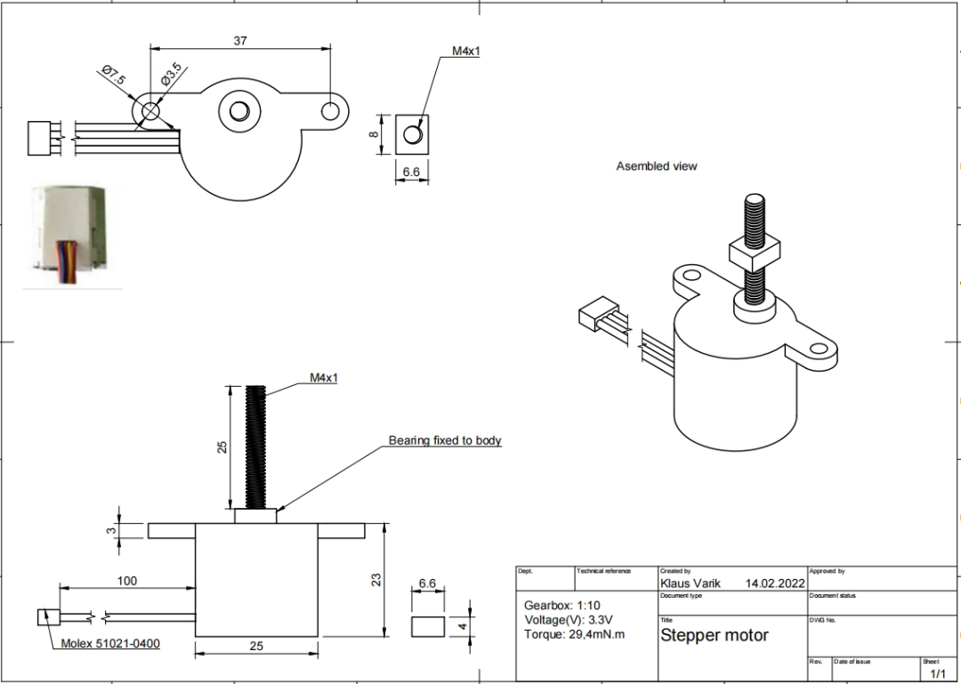
爱沙尼亚公司采购电机,用于通风系统,
按工厂起订量,报样品费用跟批量价格。
图纸如下,

联系人:黄小姐 15016720760
Email:jrs32@jrs-sourcing.com
更多采购请见深圳创业港www.szcyg.org
采购 电机
爱沙尼亚公司采购电机,用于通风系统,
按工厂起订量,报样品费用跟批量价格。
图纸如下,

联系人:黄小姐 15016720760
Email:jrs32@jrs-sourcing.com
更多采购请见深圳创业港www.szcyg.org
keywords: 深圳创业港 深圳创业 联系:info@szcyg.org