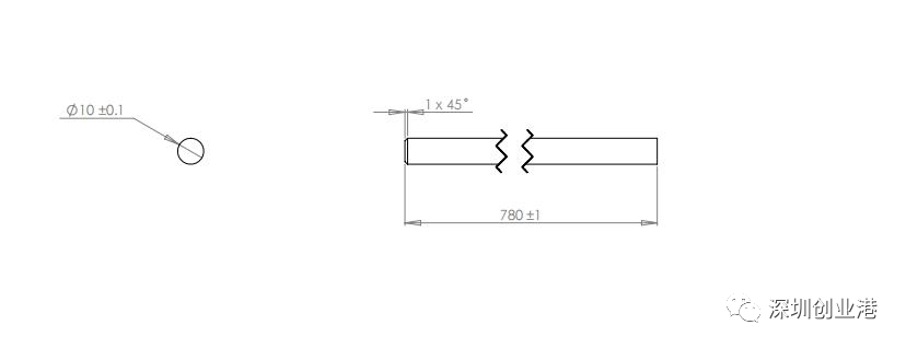
以色列公司采购钢棒 -- 20221010
采购 钢棒
以色列公司采购钢棒-20221010
Material : AISI 1015 , COLD DRAWN
Finish : Zinc, 8-13 Micron , Type 3 (ASTM B-633)
Quantity Yearly:23340PCS

邮件地址:jrs26@jrs-sourcing.com
电话:0755-8665 5575/18476227369
联系人:Canny Zeng
更多采购请见深圳创业港www.szcyg.org


