以色列需求五金CNC产品 -- 20221206
需求 五金
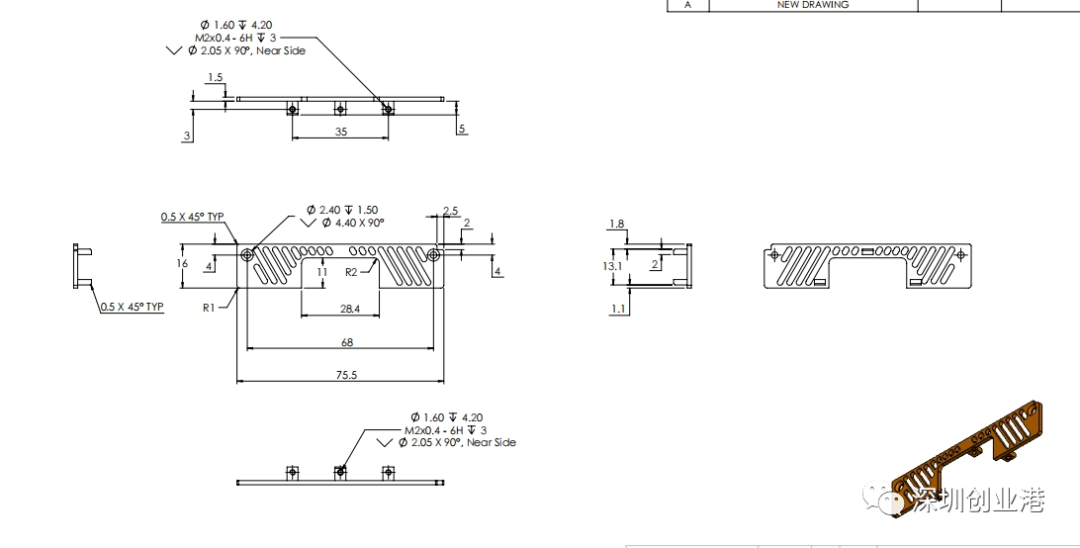
以色列需求五金CNC产品,
数量4PCS。欢迎来电咨询!
需要更多项目信息请联系胡小姐Rita
邮箱:jrs15@jrs-sourcing.com
联系电话:0755-86655575 15914179802

更多采购请见深圳创业港www.szcyg.org
需求 五金
以色列需求五金CNC产品,
数量4PCS。欢迎来电咨询!
需要更多项目信息请联系胡小姐Rita
邮箱:jrs15@jrs-sourcing.com
联系电话:0755-86655575 15914179802

更多采购请见深圳创业港www.szcyg.org
keywords: 深圳创业港 深圳创业 联系:info@szcyg.org