询不锈钢锁板定制厂 -- 20221216
钢锁板 定制
询不锈钢锁板定制厂
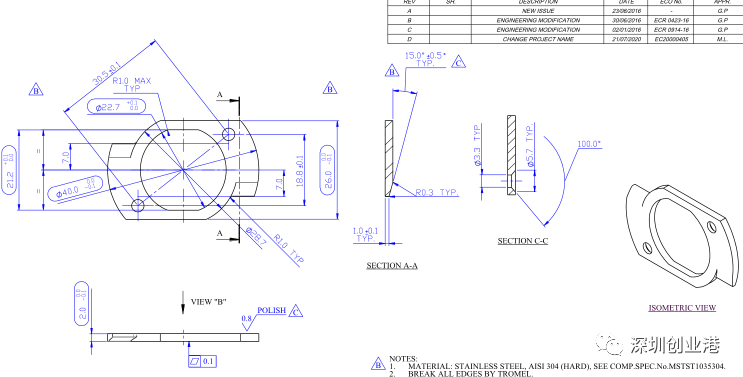
锁板图纸,
更多产品采购项目 请咨询NINA ,
电话13651478712 微信同号;
更多采购请见深圳创业港www.szcyg.org
钢锁板 定制
询不锈钢锁板定制厂
锁板图纸,
更多产品采购项目 请咨询NINA ,
电话13651478712 微信同号;
更多采购请见深圳创业港www.szcyg.org
keywords: 深圳创业港 深圳创业 联系:info@szcyg.org