找ST17-4材质加工厂 -- 20221230
材质 加工
找ST17-4材质加工厂
1. 找附件材质定制件,有做附件的厂家请咨询采购NINA ,
电话13651478712 ,微信同号;
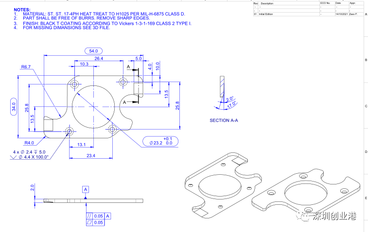
2. 以下是图纸要求:


更多采购请见深圳创业港www.szcyg.org
材质 加工
找ST17-4材质加工厂
1. 找附件材质定制件,有做附件的厂家请咨询采购NINA ,
电话13651478712 ,微信同号;
2. 以下是图纸要求:


更多采购请见深圳创业港www.szcyg.org
keywords: 深圳创业港 深圳创业 联系:info@szcyg.org