以色列公司采购316加工件 -- 20230104
采购 加工件
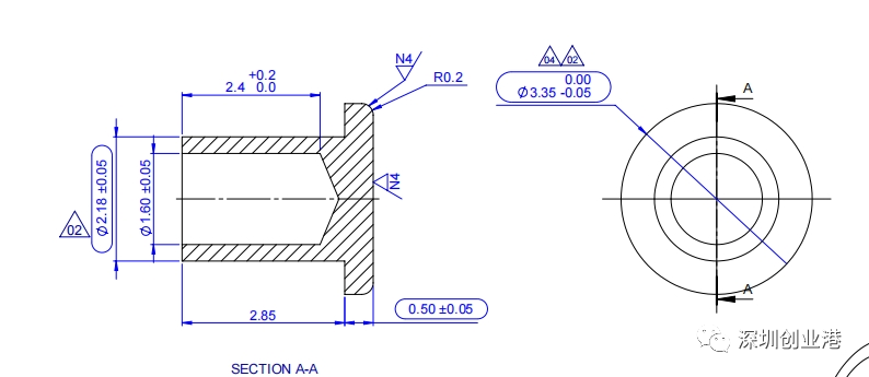
以色列公司采购316加工件,
有图纸,批次QTY. 1K/5K/10K/15K/25K;
表面处理:FIRST: PLATING 5-8 micron OF NICKEL.
SECOND: PLATING 0.75-1.0 micron OF BRIGHT GOLD---表面处理有2道 镀镍+亮金 ;
需要提供表层的材质报告,需要膜厚测试仪测试厚度;这是必须的
具体请联系佟小姐获取更多详细资料,
邮件址:jrs9@jrs-sourcing.com,
电话:0755-86561465 133 6736 8778

更多采购请见深圳创业港www.szcyg.org


