采购可替代MinebeaMitsumi 电机 -- 20230425
采购 替代 电机
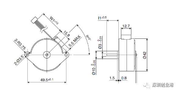
采购可替代MinebeaMitsumi 电机
规格如图,
年采购量60Kpcs。


联系人:黄小姐 ,
Mobile: 15016720760 ,
Email:jrs32@jrs-sourcing.com
更多采购请见深圳创业港www.szcyg.org
采购 替代 电机
采购可替代MinebeaMitsumi 电机
规格如图,
年采购量60Kpcs。


联系人:黄小姐 ,
Mobile: 15016720760 ,
Email:jrs32@jrs-sourcing.com
更多采购请见深圳创业港www.szcyg.org
keywords: 深圳创业港 深圳创业 联系:info@szcyg.org