以色列公司采购线材+开关 -- 20230718
线材 开关
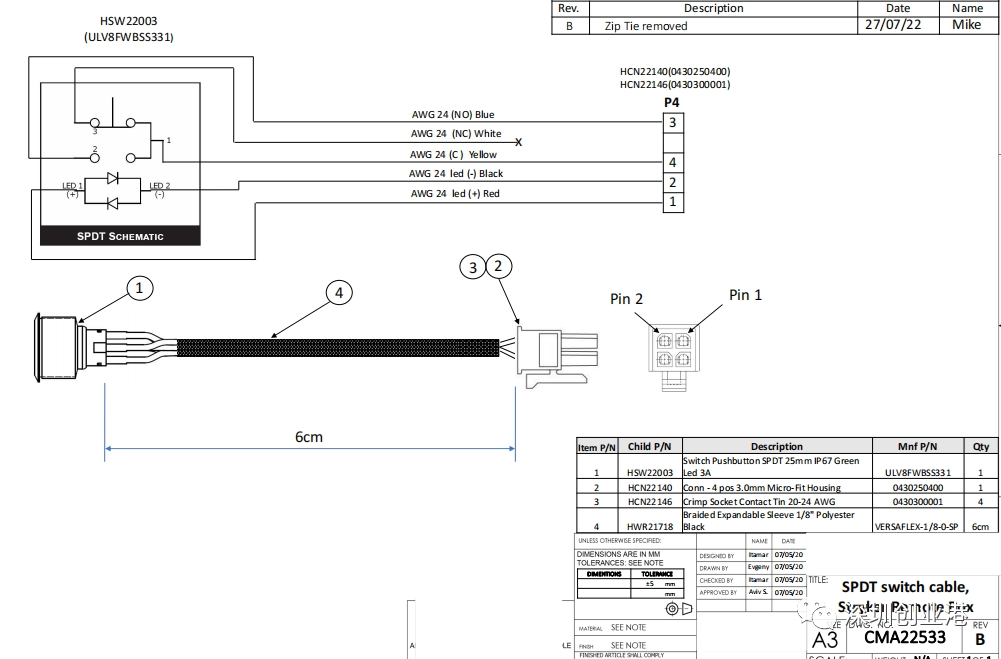
以色列公司采购线材+开关,
数量300;有图纸,
具体请联系佟小姐获取更多详细资料。
邮件地址:jrs9@jrs-sou
电话:0755-86561465
133 6736 8778(可加微信)

更多采购请见深圳创业港www.szcyg.org
线材 开关
以色列公司采购线材+开关,
数量300;有图纸,
具体请联系佟小姐获取更多详细资料。
邮件地址:jrs9@jrs-sou
电话:0755-86561465
133 6736 8778(可加微信)

更多采购请见深圳创业港www.szcyg.org
keywords: 深圳创业港 深圳创业 联系:info@szcyg.org