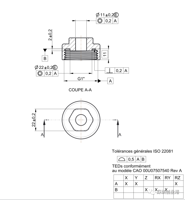
定制铜阀管件 -- 20230728
定制铜阀管件,
如图纸,
材质需要符合欧标CW617N,
年用5000pcs。
更多详细信息请联系黄小姐,
Mobile: 15016720760
Email:jrs32@jrs-sourcing.com




更多采购请见深圳创业港www.szcyg.org
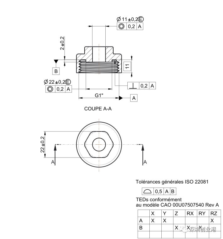
定制铜阀管件,
如图纸,
材质需要符合欧标CW617N,
年用5000pcs。
更多详细信息请联系黄小姐,
Mobile: 15016720760
Email:jrs32@jrs-sourcing.com




更多采购请见深圳创业港www.szcyg.org
keywords: 深圳创业港 深圳创业 联系:info@szcyg.org