询-排污阀 -- 20230808
排污阀
询-排污阀
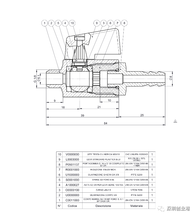
Part 080195, DRAIN VALVE ASSY, drawing attached. 型号080195,排污阀

Part 088153 VALVE BALL 1/8" M&F DRAINBACK and 088157 FITTING 1/8" BRASS HOSE TAIL 1/8" can be supplied separately provided that both mate with each other when assembled byplant.
088153 阀门球1/8” M&F 排水回带和 088157接头1/8”黄铜软管尾1/8”可以单独供应,它们在工厂组装时相互配合。
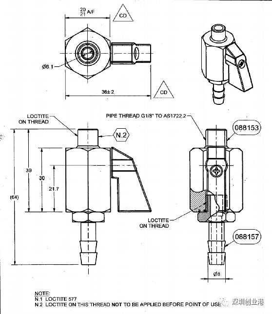
关于排污阀,强调总高36+/-2mm 这个是关键尺寸,对组装影响很大。请我们据此推荐合适产品。
原文如下:
Our overall height 36 +/- 2 mm is critical as it impacts assembly. Can you recommend the available product?
更多项目请咨询采购Nina
电话:13651478712 微信同号;




更多采购请见深圳创业港www.szcyg.org


