以色列需求五金CNC加工件 -- 20230808
五金 加工件
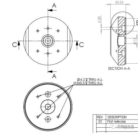
以色列需求五金CNC加工件。
欢迎来电咨询!
需要更多项目信息请联系胡小姐Rita
邮箱:jrs15@jrs-sourcing.com
电话:0755-86655575 15914179802

更多采购请见深圳创业港www.szcyg.org
五金 加工件
以色列需求五金CNC加工件。
欢迎来电咨询!
需要更多项目信息请联系胡小姐Rita
邮箱:jrs15@jrs-sourcing.com
电话:0755-86655575 15914179802

更多采购请见深圳创业港www.szcyg.org
keywords: 深圳创业港 深圳创业 联系:info@szcyg.org