埃及公司采购空调灌装阀 -- 20230823
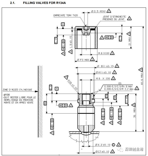
空调 灌装阀
埃及公司采购空调灌装阀,
欢迎来电咨询!
Filling valve => QTY: 500 -1000 -5000-10000 pcs
需要更多项目信息请联系蔡小姐Sherry,
邮箱:jrs49@jrs-sourcing.com
电话:0755- 8665 4886,
Mobile: 13434782072

更多采购请见深圳创业港www.szcyg.org
空调 灌装阀
埃及公司采购空调灌装阀,
欢迎来电咨询!
Filling valve => QTY: 500 -1000 -5000-10000 pcs
需要更多项目信息请联系蔡小姐Sherry,
邮箱:jrs49@jrs-sourcing.com
电话:0755- 8665 4886,
Mobile: 13434782072

更多采购请见深圳创业港www.szcyg.org
keywords: 深圳创业港 深圳创业 联系:info@szcyg.org