西班牙公司采购洗衣机三通塑胶五金产品开模 -- 20231008
洗衣机 三通 塑胶 五金 开模
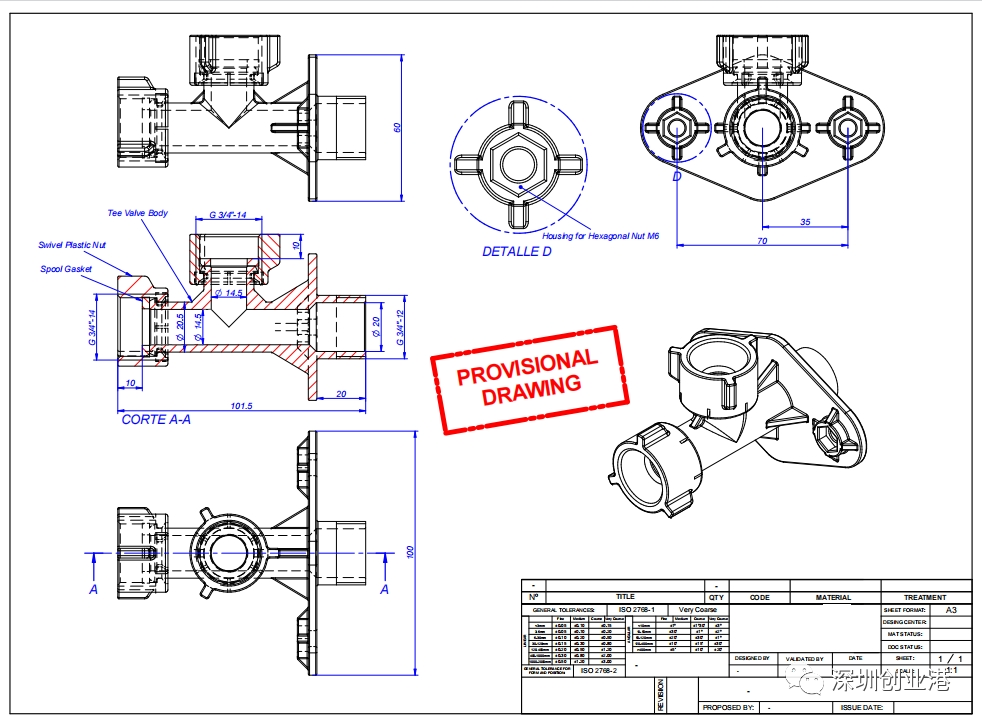
西班牙公司采购洗衣机三通塑胶五金产品开模
具体要求请联系张小姐:
Lynne<jrs8@jrs-sou
Tel,WeChat:13530128923
数量10K,根据图纸来开模

更多采购请见深圳创业港www.szcyg.org
洗衣机 三通 塑胶 五金 开模
西班牙公司采购洗衣机三通塑胶五金产品开模
具体要求请联系张小姐:
Lynne<jrs8@jrs-sou
Tel,WeChat:13530128923
数量10K,根据图纸来开模

更多采购请见深圳创业港www.szcyg.org
keywords: 深圳创业港 深圳创业 联系:info@szcyg.org