以色列需求小五金件 -- 20231017
小五金件
以色列需求小五金件,
数量500PCS。
欢迎来电咨询!
需要更多项目信息请联系胡小姐Rita
邮箱:jrs15@jrs-sourcing.com
电话:0755-86655575 15914179802

更多采购请见深圳创业港www.szcyg.org
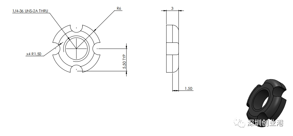
小五金件
以色列需求小五金件,
数量500PCS。
欢迎来电咨询!
需要更多项目信息请联系胡小姐Rita
邮箱:jrs15@jrs-sourcing.com
电话:0755-86655575 15914179802

更多采购请见深圳创业港www.szcyg.org
keywords: 深圳创业港 深圳创业 联系:info@szcyg.org