采购铝件 -- 20240403
铝件
采购铝件
见如下图纸,精度比较高。
数量:20个/50个

更多详细资料请联系:
联系人:Canny Zeng
Email:jrs26@jrs-so
电话:0755-8665 5575/18476227369
更多采购请见深圳创业港www.szcyg.org
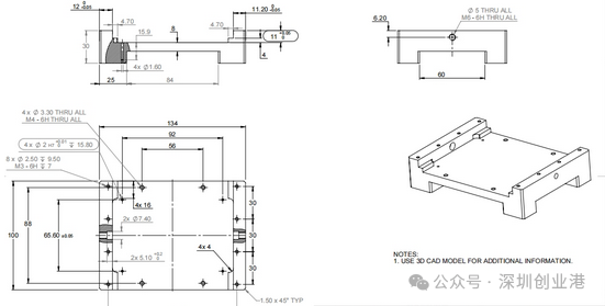
铝件
采购铝件
见如下图纸,精度比较高。
数量:20个/50个

更多详细资料请联系:
联系人:Canny Zeng
Email:jrs26@jrs-so
电话:0755-8665 5575/18476227369
更多采购请见深圳创业港www.szcyg.org
keywords: 深圳创业港 深圳创业 联系:info@szcyg.org