中东公司需求检测开关 -- 20240416
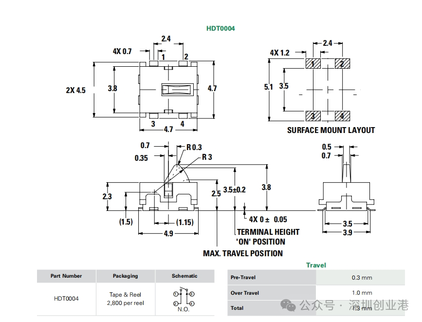
检测 开关
中东公司需求检测开关,
数量10K ,20K,40K,100K,
需要阶梯报价;
如工厂可以做或,
烦请联系佟小姐。
邮件地址:jrs9@jrs-sou
电话:0755-86561465 133 6736 8778(可加微信)

更多采购请见深圳创业港www.szcyg.org
检测 开关
中东公司需求检测开关,
数量10K ,20K,40K,100K,
需要阶梯报价;
如工厂可以做或,
烦请联系佟小姐。
邮件地址:jrs9@jrs-sou
电话:0755-86561465 133 6736 8778(可加微信)

更多采购请见深圳创业港www.szcyg.org
keywords: 深圳创业港 深圳创业 联系:info@szcyg.org