询燃气电炉开关方案商 -- 20240429
燃气 电炉 开关
询以下旋转开关方案商
出口国家:俄罗斯
用于燃气电炉
数量20000
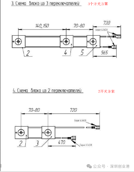
开关方案如图
有什么不明白的地方请联系采购Nina
电话:13651478712 微信同号




更多采购请见深圳创业港www.szcyg.org
燃气 电炉 开关
询以下旋转开关方案商
出口国家:俄罗斯
用于燃气电炉
数量20000
开关方案如图
有什么不明白的地方请联系采购Nina
电话:13651478712 微信同号




更多采购请见深圳创业港www.szcyg.org
keywords: 深圳创业港 深圳创业 联系:info@szcyg.org