欧美公司定制步进电机外壳和针 -- 20250318
电机 外壳 针
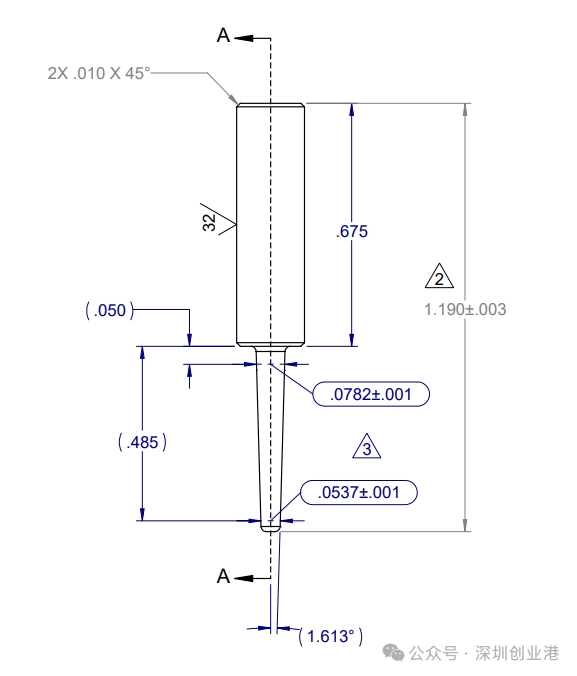
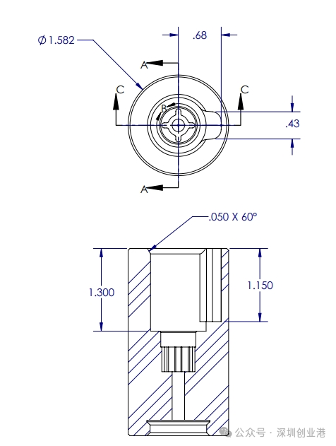
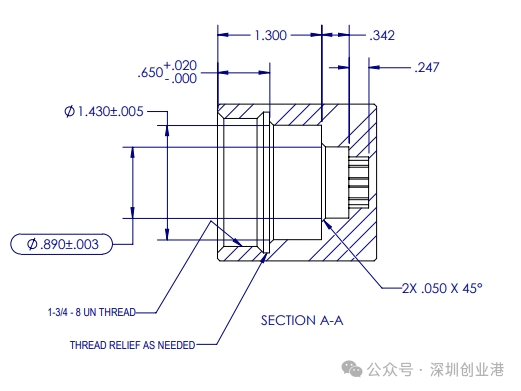
我司欧美公司定制步进电机外壳和针
外壳材质POK,针材质PEEK,
数量每款600个,
图纸如下,
欢迎来电咨询!



需要更多项目信息请联系蔡小姐Sherry,
邮箱:jrs49@jrs-sourcing.com
电话:0755- 8656 1465,
Mobile: 13434782072
关注深圳创业港(www.szcyg.org)每日采购信息
更多采购请见深圳创业港www.szcyg.org
电机 外壳 针
我司欧美公司定制步进电机外壳和针
外壳材质POK,针材质PEEK,
数量每款600个,
图纸如下,
欢迎来电咨询!



需要更多项目信息请联系蔡小姐Sherry,
邮箱:jrs49@jrs-sourcing.com
电话:0755- 8656 1465,
Mobile: 13434782072
关注深圳创业港(www.szcyg.org)每日采购信息
更多采购请见深圳创业港www.szcyg.org
keywords: 深圳创业港 深圳创业 联系:info@szcyg.org