国外公司需求离心泵配件加工,寻找生产厂家 -- 20250515
离心泵 配件
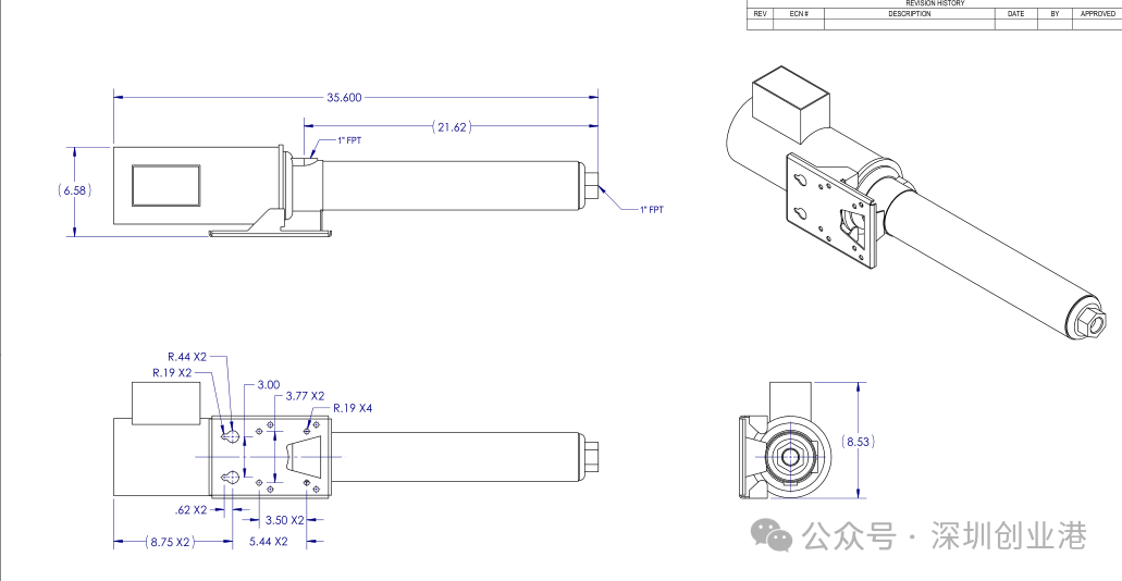
国外美国公司需求离心泵配件加工(参数如图)
寻找生产厂家。
欢迎来电咨询!
需要更多项目信息请联系刘小姐Lina
邮箱:jrs58@jrs-sourcing.com


关注深圳创业港(www.szcyg.org)每日采购信息
更多采购请见深圳创业港www.szcyg.org
离心泵 配件
国外美国公司需求离心泵配件加工(参数如图)
寻找生产厂家。
欢迎来电咨询!
需要更多项目信息请联系刘小姐Lina
邮箱:jrs58@jrs-sourcing.com


关注深圳创业港(www.szcyg.org)每日采购信息
更多采购请见深圳创业港www.szcyg.org
keywords: 深圳创业港 深圳创业 联系:info@szcyg.org