304折弯管等 -- 20250625
304 折弯管
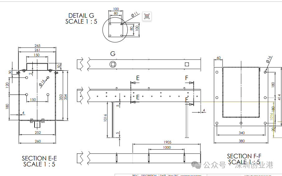
需求304折弯管等
按照图纸,
需求3套
更多详细资料请联系:
联系人:Macro
Email: jrs56@jrs-sourcing.com
Tel:0755-8665 5575,13823231854











关注深圳创业港(www.szcyg.org)每日采购信息
更多采购请见深圳创业港www.szcyg.org
304 折弯管
需求304折弯管等
按照图纸,
需求3套
更多详细资料请联系:
联系人:Macro
Email: jrs56@jrs-sourcing.com
Tel:0755-8665 5575,13823231854











关注深圳创业港(www.szcyg.org)每日采购信息
更多采购请见深圳创业港www.szcyg.org
keywords: 深圳创业港 深圳创业 联系:info@szcyg.org