国外公司需求医疗HDPE件 -- 20250717
医疗 HDPE
国外公司需求需求医疗HDPE件
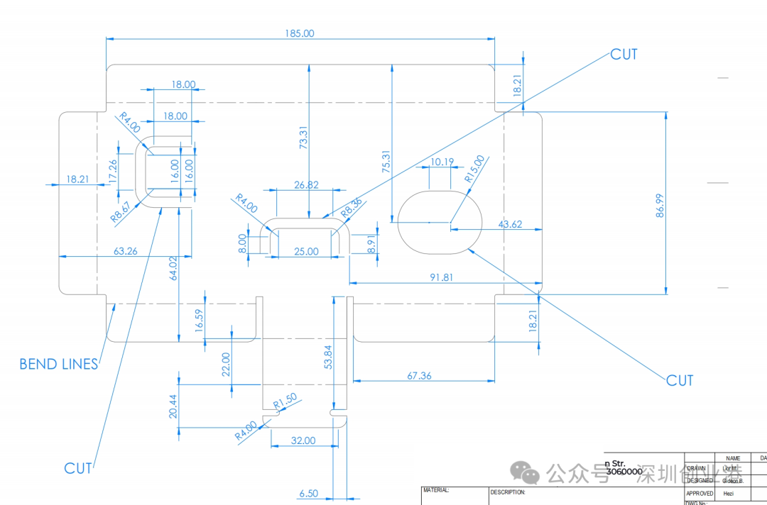
依据图纸
如能做,烦请联系佟小姐。
邮件地址:jrs9@jrs-sourcing.com,
电话:0755-86561465 133 6736 8778
生产环境: Clean room;
拥有ISO13485认证体系,
洁净室报告;
数量批次1K;5K;50K;

关注深圳创业港(www.szcyg.org)每日采购信息
更多采购请见深圳创业港www.szcyg.org
医疗 HDPE
国外公司需求需求医疗HDPE件
依据图纸
如能做,烦请联系佟小姐。
邮件地址:jrs9@jrs-sourcing.com,
电话:0755-86561465 133 6736 8778
生产环境: Clean room;
拥有ISO13485认证体系,
洁净室报告;
数量批次1K;5K;50K;

关注深圳创业港(www.szcyg.org)每日采购信息
更多采购请见深圳创业港www.szcyg.org
keywords: 深圳创业港 深圳创业 联系:info@szcyg.org